粉体行业在线展览
罗茨鼓风机1
面议
恒通粉体
罗茨鼓风机1
1329
产品简介
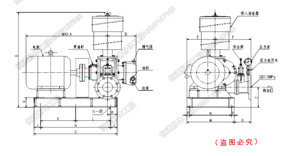
罗茨鼓风机是容积式风机的一种,有两个三叶叶轮在由机壳和墙板密封的空间中相对转动。类型有防爆风机、防腐蚀风机、卧式、立式、联轴器直联传动、带传动支架式、带传动悬壁式。下面随小编看看我们厂的直联式罗茨鼓风机。由于每个叶轮都是采用渐开线,或是外摆线的包络线,每个叶轮的三个叶片是完全相同的,同时两个叶轮也是完全相同的,这样就大大降低了加工难度。叶轮在加工时采用数控设备,保证了两个叶轮距不变情况下,不管两个叶轮旋转到什么位置,都能保持一定的小间隙,从而保证气体的泄露在允许范围内。
两个叶轮相向转动,由于叶轮与叶轮、叶轮与机壳、叶轮与墙板之间的间隙小,从而使进气口形成了真空状态,空气在大气压的作用下进入进气腔,然后,每个叶轮的其中两个叶片与墙板、机壳构成了一个密封腔,进气腔的空气在叶轮转动的过程中,被两个叶片所形成密封腔不断地带到排气腔,又因为排气腔内的叶轮是相互啮合的,从而把两个叶片之间的空气挤压出来,这样连续不停的运转,空气就不断地从进气口输送到出气口,这是罗茨鼓风机的整个工作过程。
产品 · 参数
PRODUCT PARAMETERS
罗茨风机型号及参数表

产品 · 应用
PRODUCT APPLICATION

高强石膏粉气力输送
我们恒通粉体为客户定制了一条正压高强石膏粉气力输送系统,该项目参数水平距离20m、垂...

废旧轮胎裂解炭黑气力输送
我们客户将废旧轮胎裂解炭黑集中到一个料仓,输送量3t/h、水平距离:20m、垂直高度6m,来...

煅烧焦粉除尘灰气力输送
新型炭材料行业经常会采用气力输送系统进行煅后焦粉的运输,此次煅烧焦粉除尘灰气力输...
产品 · 特色
PRODUCT CHARACTERISTICS





