粉体行业在线展览
RX50M
1万元以下
米淇
RX50M
3068
咨询客服
全新 RX50M 系列观察筒,采用宽光束成像系统设计,支持 26.5mm的超宽视野观察,带给您全新的大视野体验。
RX50M系列研究级三目正置金相显微镜

全新RX50M研究级金相显微镜集多项首创于一身,从外观到性能都紧跟国际**设计风向,致力于拓展工业领域全新格局。RX50M秉承不断探索不断超越的品牌设计理念,为客户提供完善的工业检测解决方案。
多档分光比观察头设计
全新 RX50M 系列观察筒,采用宽光束成像系统设计,支持 26.5mm的超宽视野观察,带给您全新的大视野体验。
两档式正像铰链三目观察筒,保证样品的移动方向与您通过目镜观察到的方向一致,使操作更加得心应手。
三档式铰链三目观察筒,在成像光线 100% 用于双目观察或三目*影的基础上,增加一档 20% 用于双目观察,80% 用于显微*影,方便用户同时对镜下图像与视频图像进行对比观察 ;
偏振系统
偏振系统包括起偏器和检偏器,可做偏光检测,在半导体和 PCB 检测中,可消除杂光,细节更清楚。检偏器分为固定式检偏器和 360 度旋转式检偏器。360°旋转式检偏器可在不移动标本的情况下,方便的观察标本在不同偏振角度光线下呈现的状态。可在偏振系统的基础上加载全新研发微分干涉器,建立诺曼尔斯基微分干涉衬比系统。
诺曼尔斯基微分干涉衬比系统
全新研发的 U-DICR 微分干涉组件,可以将明场观察下无法检测的细微高低差,转化为高对比度的明暗差并以立体浮雕形式表现出来,如 LCD 导电粒子,精密磁盘表面划痕等。
中性密度滤*镜连动明暗场观察设计
照明器前端的拨杆可使明暗场观察切换更加方便,并带有中性密度滤*镜(ND50)联动功能。由于暗场观察时通常需要将光源开得比明场观察更亮,此功能设计可以避免用户在由暗场切换至明场时,眼睛不会受到强光的刺激,提高使用的舒适性。
![]() | ![]() | ![]() |
物镜转换器,多孔可选
多孔物镜转换器可以对同一个标本的观测点进行连续的更加合理的低、中、高放大倍率观察。全新的物镜转换器将光轴与转动轴之间的夹角降低到 15°,提高了对中精度和齐焦精度,且外观更加紧凑。
人机工程学设计,触手可及的操作
■ 镜座底侧低手位调光装置,可灵活调节光线强弱,并在数字调光屏上显示相应电压。可 配合左手位粗微调焦,提高工作效率。
■ 数字调光屏上的开关可一键切换透反射照明,复位按钮将光强设置在使用 LBD 滤*镜进行显微*影时的Z佳电压约 8V,有相机标志位置。
■ 镜座上装有 3 个滤*镜,另外还可以选装第四个,拉杆设计可以很容易的将滤*镜 移入 / 移出光路。
■ 左右低手位粗微同轴调焦机构,带松紧调节装置。粗调行程 25mm,微调精度 1um,可用于测量 Z 轴方向极细微物体的高度,如锡球。
右手位平台,带锁紧装置
4 英寸大行程机械平台,带Y轴移动锁定功能,完全锁紧后限制Y轴的移动,可用于横向检测,防止阵列器件检测时出现漏检现象。
4 英寸玻璃载物台板可用于透射光观察。
透反射照明装置,光源兼容
12V100W 超长寿命灯箱,采用 PHILIPS 7724 型卤素灯,为系统提供充足、均匀的照明环境。摇出式消*差聚光镜(N.A.0.9)系统,优化柯拉照明低倍表现,有效校正*差球差,得到理想的图像。
![]() | ![]() | ![]() | ![]() |
高眼点超宽视野平场目镜
■ 匹配超宽视野观察筒,RX50M 系列的目镜观察视场范围也由传统的 22mm 跃升至****的 25mm 以及 26.5mm,提供更加平坦的观察范围,提高工作效率。更大值域屈光度调节范围可满足更多用户的使用需求。
■目镜采用定位销结构,方便视度调节。
■ 可翻叠橡胶眼罩防止外部杂散光线干扰,带眼镜用户可将眼罩翻下,防止眼镜接触目镜,划伤眼镜和目镜。
专业无限远长工作距半复消*差金相物镜
■ 明暗场物镜只需一个镜头就能胜任明场、暗场、偏光、微分干涉观察。暗场图像亮度得到增强,提高了样品的检出能力。
■ 系列物镜严格挑选高透过率的镜片和先进的镀膜技术,真实还原样品的自然*彩 ;
■ 明暗场物镜采用铝制外套,大大减轻了重量,对防止环境污染,改善物镜转换的操控性做出了贡献 ;
■ 半复消*差设计具有**的*差校正性能,提高了观察图像的衬度、清晰度。
■ 长工作距物镜广泛适用于各种检测领域,轻松实现无损检测。
■ 此套物镜也适用于荧光观察,性价比较高。
■ 专用明场半复消*差物镜可供选择。
![]() | ![]() |
技术规格:
光学系统:无限远*差校正光学系统
观 察 筒: 30°倾斜,正像,无限远铰链三通观察筒,瞳距调节:50mm~76mm,两档分光比双目:三目=100:0或0:100
目 镜:高眼点大视野平场目镜PL10X/25mm,视度可调
明暗场半复消*差物镜:LMPLFL 5X /0.15 BD DIC WD13.5mm
LMPLFL10X/0.30 BD DIC WD9.0mm
LMPLFL20X/0.45 BD DIC WD2.5mm
LMPLFL50X/0.80 BD WD1.0mm
转 换 器:明暗场6孔转换器,带DIC插槽
机 架:透反两用机架,低手位粗微同轴调焦机构。粗调行程25mm,微调精度0.001mm。带有防止下滑的调节松紧装置和随机上限位装置。
内置100-240V宽电压系统,双路电源输出,采用数字调光,具有光强设定与复位功能、反射/透射光切换开关,
内置透射光滤*镜(LBD、ND6、ND25)
载 物 台: 右手位4英寸机械平台,行程105mmx102mm,带Y轴锁定机构,可带透射系统挡光板,带玻璃载物台板
聚 光 镜 :摇出式消*差聚光镜(N.A.0.9)
反射照明器: 明暗场反射照明器,带可变孔径光阑,视场光阑,中心可调 ;带明暗场照明切换装置;带滤*片插槽,带起偏镜/检偏镜插槽
灯 室 :12V100W卤素灯室,透、反射通用,预定中心
其他附件: 起偏镜插板,固定式检偏镜插板,360°旋转式检偏镜插板
反射用干涉滤光片组
选配件:
观察筒:30°倾斜,倒像,无限远铰链三通观察筒,瞳距调节:50mm~76mm,三档分光比双目:三目=100:0或20:80或0:100
目 镜:高眼点大视野平场目镜PL10X/25mm,视度可调,可带单刻度十字分划板
高眼点大视野平场目镜PL10X/26.5mm,视度可调,可带单刻度十字分划板
物 镜:LMPLFL100X/0.90 BD WD1.0mm(明暗场半复消*差物镜)
转换器:明场 6 孔转换器,明场 7 孔转换器,明暗场5孔转换器
微分干涉:DIC微分干涉组件
其他附件:反射用干涉滤光片 :蓝*≤ 480nm,绿* :520nm-570nm,红* :630nm-750nm,*平衡片(白光)
软件配套: FMIA2021正版金相分析软件
*像装置:索尼芯片相机(630万、1200万、2000万等)
适配镜接口:0.5X、1X(适用于2000万像素相机)。
测 微 尺: 高精度测微尺(100x0.01mm、100x0.01cm,校准点:d = 0.15mm、d = 0.07mm)
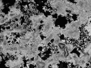
数码*像实拍效果图:
![]() | ![]() | ![]() | ![]() |
RX50M贴心的各项附件,满足您工业检测中多样化的个性需求。
部件图解:


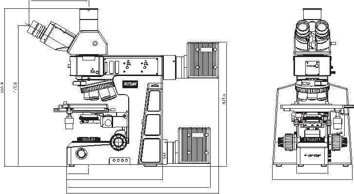
外形尺寸:
