粉体行业在线展览
BH200M
BH200M系列三目正置金相显微镜
基础型正置金相显微镜,提供优越的图像质量和稳固可靠的机械结构。
BH200M型正置金相显微镜提供优越的图像质量与稳固的操作系统,操作简便。广泛应用于教学科研、金相分析、工业检测等领域。
每一个人性化的细节设计,给您带来快捷、舒适的操作模式。
调焦机构:粗微调同轴,带机械上限位和松紧调节装置, 粗调行程25mm,微调精度0.002mm。
机械移动平台:复合式双层机械移动平台,低手位同轴调节,并在机械平台上附设180mm*145mm的平板平台,便于放置较大尺寸的样品。
照明系统:落射式柯拉照明,并设计防反射结构,有效防止反射光线的干扰,从而使成像更清晰,视场衬度更好。
![]() | ![]() | ![]() |
技术规格:
光学系统:有限远*差校正光学系统
观 察 筒 :铰链式三目,30°倾斜,360°旋转,视度可调
目 镜 :高眼点大视野平场目镜PL10X/18mm
长距平场消*差物镜:LMPL5X /0.13 WD15.5mm
LMPL10X/0.25 WD8.7mm
LMPL20X/0.40 WD8.8mm
LMPL50X/0.60 WD5.10mm
转 换 器: 四孔(内向式滚珠内定位)
调焦机构 :低位同轴粗微动调焦镜架,行程25mm,微调精度0.002mm,带有粗调松紧调节装置和随机限位装置,
内置6V30W透射光照明,上下照明切换
载 物 台: 复合式双层机械移动平台,台面尺寸140*132mm,移动范围:76mmX50mm,精度0.1mm。
照明系统 :反射式柯拉照明,自适应宽电压100V-240V,6V/30W卤素灯,光强连续可调,
带可变孔径光阑与视场光阑,视场光阑中心可调
滤 光 片: 黄、绿、蓝、磨砂。
选配件:
目 镜:高眼点大视野平场目镜PL10X/18mm,可带测微尺
高眼点大视野目镜WF15X/13mm,可带测微尺
高眼点大视野目镜WF20X/10mm,可带测微尺
物 镜:LMPL100X/0.80 WD2.0mm
转换器:内定位五孔转换器
偏光附件:起偏镜插片,检偏镜插片
软件配套: FMIA2021正版金相分析软件
*像装置 :索尼芯片相机(500万、630万、1200万、1600万等)
适配镜接口:0.5X、1X*像接筒
测微尺:高精度测微尺 100x0.01mm、100x0.01cm,校准点:d = 0.15mm、d = 0.07mm
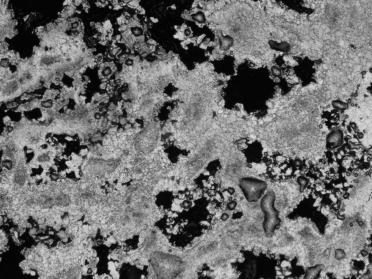
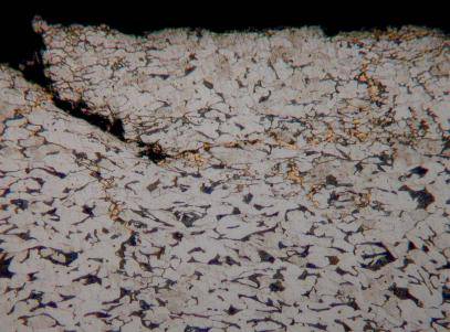
数码*像实拍效果图:
![]() | ![]() | ![]() | ![]() |
BH200M贴心的各项附件,满足您工业检测中多样化的个性需求。
部件图解:

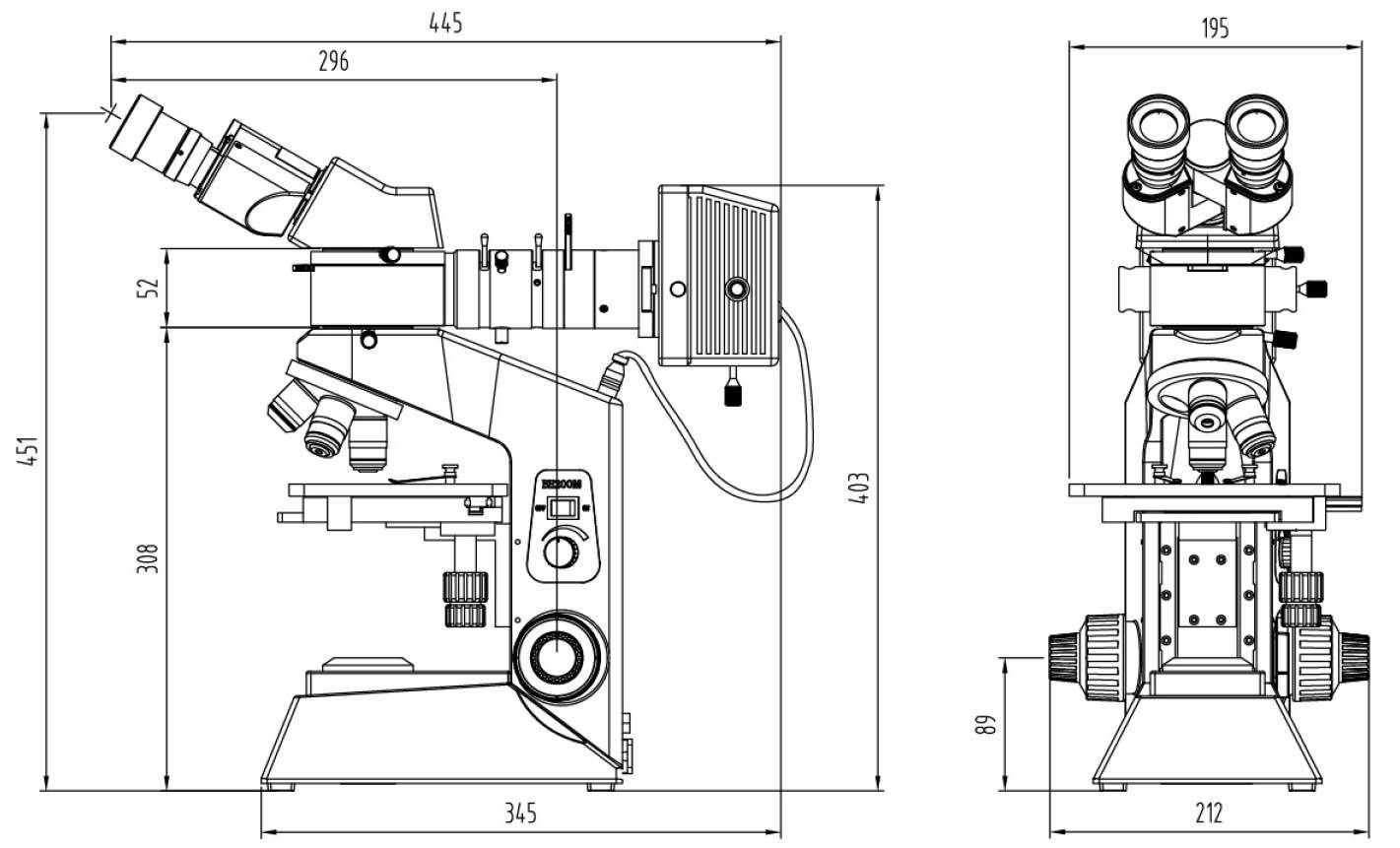
外形尺寸:
