粉体行业在线展览

产品

产品>

粉碎设备>

研磨机

>埃尔派超微粉体改性设备

埃尔派超微粉体改性设备

CUM-P200

直接联系

山东埃尔派粉体科技有限公司.

山东

产品规格型号
参考报价:

面议

品牌:

埃尔派

型号:

CUM-P200

关注度:

4829

产品介绍

工作原理:

埃尔派粉体改性机源自欧洲设计,对加工工艺要求高。连续式生产工艺通常在干法粉体制备工艺处理之后,大批量连续生产各种非金属矿物活性粉体,特别是用于塑料、橡胶、胶粘剂等高聚物基复合材料的无机填料和颜料。常见工艺包括:涡流磨改性、蜂巢磨改性、三辊磨改性、针盘磨改性。

产品性能及优点:

适用范围广

对各种无机粉体均可达到理想的活化效果。

包覆率高

较少的包覆材料或成本,取得较高包覆率或改性效果。

自动化程度高

整个系统操作方便,高效率,低成本。

生产工艺灵活

根据改性物料的特性和客户需要,可选择连续式生产工艺或间歇式生产工艺。

设备选型丰富

针对不同的工艺,改性设备都有多种选择。

可定制解决方案

根据物料特性和产品用途,提供包覆改性的技术咨询、个性化解决方案。

安全示意图:

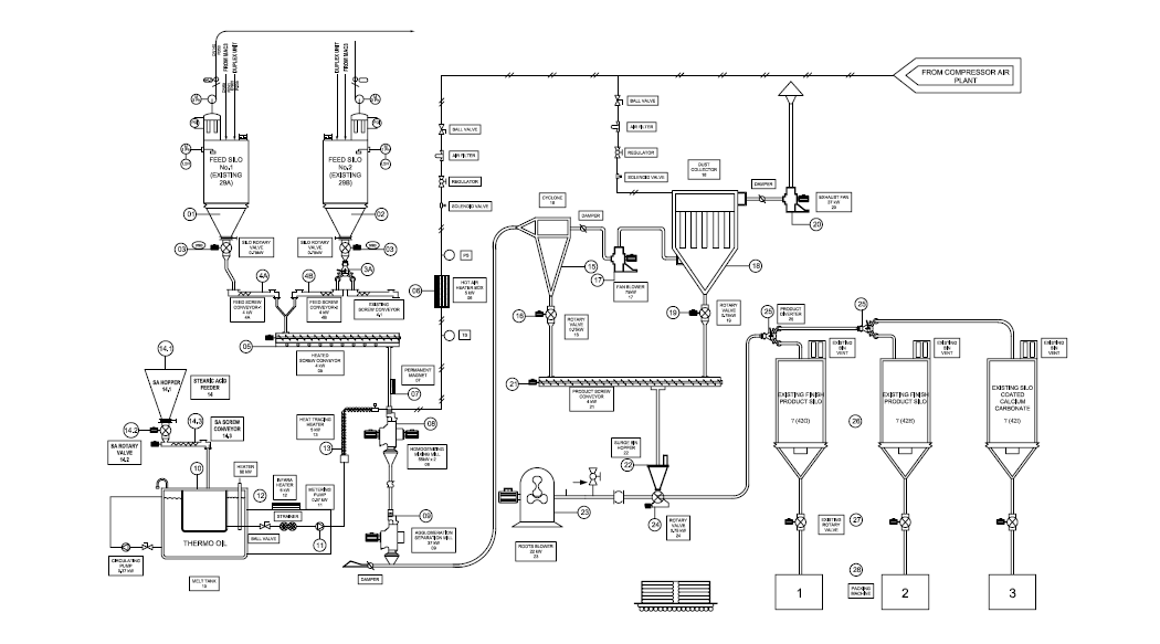
作业流程图:


产品咨询

埃尔派超微粉体改性设备

CUM-P200

请填写您的姓名:*

请填写您的电话:*

请填写您的邮箱:*

请填写您的单位/公司名称:*

请提出您的问题:*

您需要的服务:

发送

中国粉体网保护您的隐私权:请参阅 我们的保密政策 来了解您数据的处理以及您这方面享有的权利。 您继续访问我们的网站,表明您接受 我们的使用条款

埃尔派超微粉体改性设备 - 4829
山东埃尔派粉体科技有限公司. 的其他产品

FLOW

研磨机
相关搜索
关于我们
联系我们
成为参展商

© 2026 版权所有 - 京ICP证050428号