1.项目背景:
目前,在高镍三元掺杂磷酸铁锂/磷酸锰铁锂的工艺过程中,通常采用机械式混合机,因机械混合机的桨叶无法覆盖容器的边缘、角落等区域,混合过程中存在“死区”。另外,由于磷酸铁锂(磷酸锰铁锂)/三元之间的粒径、密度、形状差异较大,包覆过程中易产生“偏析”,同时,纳米级磷酸铁锂/磷酸锰铁锂易团聚,包覆均匀性受限。

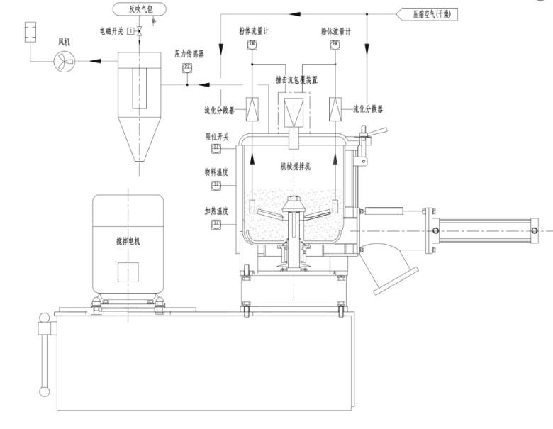
机械混合机示意图
2.WX系列外循环流化包覆机:
湖南经源科技的WX系列外循环流化包覆机采用机械混合+外循环流化包覆双重作用,显著提升粉体包覆的效率与质量,可处理易团聚、密度差异大、超细粉体间的混合包覆。
在内部,通过机械旋转的桨叶对物料进行碰撞与剪切,使粉体颗粒进行充分的搅动和分散,实现宏观的混合。
在外部,设置气流分散系统,一方面实现物料空间位置的有效交换;另一方面,利用气流撞击分散作用,实现物料的流化分散,完成高效、均匀的分散及混合包覆。
3.产品特点
(1)包覆效果好:在运行过程中,通过外循环系统,部分物料被主动抽出、处理后再返回混合区,形成动态循环回路,在动态循环过程中,利用气流撞击分散,实现物料的流化分散,完成高效、均匀的混合包覆。
(2)不影响颗粒形貌、不产生高温:WX系列外循环流化包覆机利用外循环分散系统,运行过程中,可通过减小叶片的旋转速度,从而降低桨叶对物料搅拌的强度,对产品形貌无影响,同时,气流循环自热平衡,不产生高温。
(2)包覆时间短:WX系列外循环流化包覆机通过外部气流分散作用,可实现粉体高效、快速的分散,提高包覆效率,相较传统机械混合包覆机,包覆时间减少1/3以上。

外循环流化包覆机示意图
4.性能对比

270
0- 1四方仪器原位激光拉曼光谱气体分析仪 LRGA-3200EX
- 2四方仪器激光拉曼光谱气体分析仪 LRGA-6000
- 3产品手册
- 4四方仪器原位激光过程气体分析仪(对射式)GasTDL-3100
- 5四方仪器便携煤气分析仪Gasboard-3100P
- 6四方仪器 高温紫外烟气分析仪 Gasboard-3600UV
- 7真空应用设备【2025年12月】
- 8真空配套设备【2025年12月】
- 【助力科研】粉末挤出3D打印破解多材料梯度惰性阳极烧结开裂难题,推动无碳铝电解发展
- 粉末挤出3D打印制备难熔金属和先进陶瓷发展趋势
- 顶刊速递|为什么温敏水凝胶的研究进展值得关注?
- 声共振机械合金化 制备Ni-Al反应材料的可行性研究与机理探讨
- 突破肽类高浓度制剂瓶颈 声共振技术实现稳定纳米悬浮
- 常驻顶刊!为何磁性纳米粒子的研究如此“高产”?
- 日本石川擂溃机化学工业实验用装置的高效选择
- 为什么COFs的催化应用近期顶刊不断?
- 从“作用”到“场域”:粉碎技术的范式演进与柯立微能量场理论的构建
- 大明化学氧化铝粉在低温烧结制粉中的应用
- Development, Characterization, and Molecular Dynamics Simulation of Andrographolide Nanosuspensions Utilizing Hummer Acoustic Resonance Technology
- 苏州碳丰科技首席科学家程金生老师以本公司名义在国际上发表关于石墨烯纤维的论文《石墨烯纤维纳米复合材料的合成及氨基酸检测的分析应用》:
- 介可视·散装物料库存管理雷达全景扫描系统在料仓、堆场中的应用
- 磷酸化修饰鬼臼果多糖的制备及生物活性
- DSR论文解读:Advanced Science News 报道中科院长春应化所新型非铂催化材料研究成果
- High-throughput preparation, scale up and solidification of andrographolide nanosuspension using hummer acoustic resonance technology(纳米混悬剂制备的前瞻性技术 - 蜂鸟声共振)

